Редукторы КЦ2–250, 300, 400, 500
Назначение:
Редукторы цилиндрические двухступенчатые горизонтальные специальные крановые типа Ц-2 предназначены для использования в приводах механизмов подъема и передвижения грузоподъемных кранов, а также других машин и применяются в следующих условиях:- Нагрузка постоянная и переменная одного направления и реверсивная;
- Работа с периодическими остановками (повторно-кратковременный режим), допускается длительная работа;
- Вращение валов в любую сторону;
- Частота вращения входного вала не должна превышать 1500 об/мин с ограничением окружной скорости зубчатых передач 12 м/с;
- Атмосфера типов I и II по ГОСТ 15150 при запыленности воздуха не более 10 мг/мЗ;
- Климатические исполнения: У, Т по ГОСТ 15150-80;
- Категория размещения: 2, 3 по ГОСТ 15150.
Условия применения:
- нагрузка постоянная и переменная одного направления и реверсивная;
- работа периодическими остановками (повторно-кратковременный режим), допускается
- длительная работа;
- вращение валов в любую сторону;
- частота вращения входного вала не должна превышать 1500 об/мин с ограничением окружной
- скорости зубчатых передач 12 м/с;
- атмосфера типов I и II по ГОСТ 15150-69 при запыленности воздуха не более 10 мг/мЗ;
- климатические исполнения: У, Т по ГОСТ 15150-69;
- категория размещения: 2, 3 по ГОСТ 15150-69.
Условное обозначение:
КЦ2-400-31,5-12М- Ц2-тип
- 400-суммарное межосевое расстояние
- 31,5-номинальное передаточное число
- 12-вариант сборки
- М-конец выходного вала в виде части зубчатой муфты

Технические характеристики
|
Типоразмер редуктора
|
Передаточное отношение
|
Частота вращения входного вала, мин-1
|
Номинальный крутящий момент на выходном валу, Нм
|
|
КЦ2 - 250
|
8; 10; 12,5; 16; 20; 25; 31,5; 40; 50
|
от 1500 до 600
|
650...825
|
|
КЦ2-300
|
950...1180
|
||
|
КЦ2 - 350
|
1500...1800
|
||
|
КЦ2 - 400
|
3000...3400
|
||
|
КЦ2 -400П
|
3000 3400
|
||
|
КЦ2 - 500
|
5150...6000
|
||
|
КЦ2 - 650
|
15000...16000
|
||
|
КЦ2 - 750
|
20600...25800
|
||
|
КЦ2 -1000
|
47500...58000
|
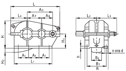
Габаритные и присоединительные размеры
Типоразмеры КЦ2-250…КЦ2-500

Типоразмеры КЦ2-650…КЦ2-1000

|
Типоразмер редуктора
|
AC
|
АБ
|
AT
|
A1
|
В
|
B1
|
B2
|
H
|
H1
|
H2
|
h
|
L
|
L1
|
L2
|
L3
|
L4
|
d
|
n
|
Масса
|
|
мм
|
шт
|
кг
|
|||||||||||||||||
|
КЦ2 - 250
|
250
|
100
|
150
|
285
|
260
|
210
|
-
|
310
|
160
|
-
|
18
|
515
|
400
|
280
|
220
|
183
|
22
|
4
|
87
|
|
КЦ2 - 300
|
300
|
125
|
175
|
350
|
300
|
250
|
-
|
362
|
190
|
-
|
22
|
620
|
475
|
300
|
255
|
215
|
26
|
4
|
138
|
|
КЦ2 - 350
|
350
|
150
|
200
|
200
|
330
|
280
|
-
|
409
|
212
|
-
|
25
|
700
|
550
|
345
|
300
|
238
|
26
|
6
|
210
|
|
КЦ2 - 400
|
400
|
150
|
250
|
250
|
380
|
320
|
-
|
505
|
265
|
-
|
27
|
805
|
640
|
375
|
325
|
286
|
33
|
6
|
315
|
|
КЦ2-400П
|
400
|
150
|
250
|
250
|
380
|
320
|
-
|
505
|
265
|
-
|
27
|
805
|
640
|
-
|
325
|
286
|
33
|
6
|
290
|
|
КЦ2 - 500
|
500
|
200
|
300
|
320
|
440
|
360
|
-
|
598
|
315
|
-
|
30
|
985
|
785
|
445
|
390
|
340
|
39
|
6
|
500
|
|
КЦ2 - 650
|
650
|
250
|
400
|
260
|
560
|
470
|
280
|
695
|
315
|
95
|
36
|
1270
|
910
|
550
|
480
|
443
|
39
|
8
|
1100
|
|
КЦ2 - 750
|
750
|
300
|
450
|
300
|
650
|
560
|
320
|
783
|
355
|
100
|
40
|
1455
|
1040
|
645
|
570
|
494
|
46
|
8
|
1650
|
|
КЦ2-1000
|
1000
|
400
|
600
|
400
|
860
|
750
|
420
|
1018
|
450
|
155
|
45
|
1905
|
1400
|
805
|
740
|
645
|
52
|
8
|
3700
|
Размеры концов валов
Входной

|
Типоразмер редуктора
|
d
|
d1
|
d2
|
l
|
.l1
|
b
|
t
|
|
|
мм
|
||||||
|
КЦ2-250
|
30
|
42
|
М20х1,5
|
80
|
58
|
5
|
15,6
|
|
КЦ2-300
|
35
|
42
|
М20х1,5
|
80
|
58
|
6
|
18,6
|
|
КЦ2-350
|
40
|
50
|
М24х2
|
110
|
82
|
10
|
21
|
|
КЦ2-400
|
50
|
70
|
М36х3
|
110
|
82
|
12
|
26
|
|
КЦ2-400П
|
50
|
70
|
М36х3
|
110
|
82
|
12
|
26
|
|
КЦ2 - 500
|
60
|
80
|
М42х3
|
140
|
105
|
16
|
31,4
|
|
КЦ2-650
|
70
|
90
|
М48х3
|
140
|
105
|
18
|
36,4
|
|
КЦ2-750
|
80
|
105
|
М56х6
|
170
|
130
|
20
|
41,3
|
|
КЦ2 -1000
|
100
|
125
|
М72х4
|
210
|
165
|
25
|
50,9
|
Выходной

Исполнение К Исполнение Ц
(конический) (цилиндрический)
|
Типоразмер редуктора
|
d3
|
d4
|
d5
|
l2
|
l3
|
b1
|
t1
|
d6
|
l4
|
b2
|
t2
|
|||
|
мм
|
||||||||||||||
|
КЦ2 - 250
|
65
|
80
|
М42х3
|
140
|
105
|
16
|
33,9
|
65r6
|
105
|
18
|
71
|
|||
|
КЦ2 - 300
|
75
|
90
|
М48х3
|
140
|
105
|
18
|
38,9
|
75r6
|
105
|
20
|
82
|
|||
|
КЦ2 - 350
|
85
|
105
|
М56х4
|
170
|
130
|
20
|
43,8
|
85r6
|
130
|
22
|
93
|
|||
|
КЦ2 - 400
|
95
|
115
|
М64х4
|
170
|
130
|
22
|
49,3
|
95r6
|
130
|
25
|
104
|
|||
|
КЦ2 - 500
|
110
|
140
|
М80х4
|
210
|
165
|
25
|
55,9
|
110s6
|
165
|
28
|
120
|
|||
|
КЦ2 - 650
|
140
|
180
|
М100х4
|
250
|
200
|
32
|
72
|
140s6
|
200
|
36
|
152
|
|||
|
КЦ2 - 750
|
170
|
210
|
М125х4
|
300
|
240
|
36
|
87
|
170s6
|
240
|
40
|
184
|
|||
|
КЦ2 - 1000
|
220
|
270
|
М160х6
|
350
|
280
|
45
|
113
|
220s6
|
280
|
50
|
237
|
|||
Выходной
Исполнение М (в виде части зубчатой полумуфты)

|
Типоразмер редуктора
|
b
|
d
|
d1
|
d2
|
L
|
l
|
l1
|
Зацепление
|
|
|
m
|
z
|
||||||||
|
Редуктор КЦ2-250
|
20
|
147
|
72F8
|
95
|
198
|
8
|
38
|
3,5
|
40
|
|
Редуктор КЦ2-300
|
25
|
210
|
80F8
|
105
|
227
|
10
|
50
|
5
|
40
|
|
Редуктор КЦ2-350
|
30
|
252
|
110F8
|
140
|
255
|
10
|
60
|
6
|
40
|
|
Редуктор КЦ2-400
|
30
|
252
|
110F8
|
140
|
280
|
10
|
60
|
6
|
40
|
|
Редуктор КЦ2-500
|
40
|
336
|
150F8
|
215
|
330
|
15
|
65
|
8
|
40
|
|
Редуктор КЦ2-650
|
50
|
420
|
160F8
|
230
|
410
|
15
|
70
|
10
|
40
|
|
Редуктор КЦ2-750
|
60
|
504
|
200F8
|
290
|
480
|
20
|
90
|
12
|
40
|
|
Редуктор КЦ2-1000
|
80
|
672
|
320F8
|
445
|
645
|
25
|
130
|
16
|
40
|
Выходной полый вал редуктора КЦ2-400П

