Редукторы цилиндрические горизонтальные двухступенчатые типа 1Ц2У-100, 1Ц2У-125, 1Ц2У-160, 1Ц2У-200
Назначение:
Редукторы цилиндрические двухступенчатые горизонтальные общемашиностроительного применения типоразмеров 1Ц2У-100, 1Ц2У- 125, 1Ц2У- 200, 1Ц2У-250 предназначены для изменения крутящих моментов и частот вращения.
Размеры концов выходных валов, выполненных в виде части зубчатой муфты



Полые валы редукторов:a-типоразмера 1Ц2У-200; b-типоразмера 1Ц2У-250.
Редукторы цилиндрические двухступенчатые горизонтальные общемашиностроительного применения типоразмеров 1Ц2У-100, 1Ц2У- 125, 1Ц2У- 200, 1Ц2У-250 предназначены для изменения крутящих моментов и частот вращения.
Условия применения редукторов:
- нагрузка постоянная и переменная одного направления и реверсивная;
- работа длительная или с периодическими остановками;
- вращение валов в любую сторону;
- частота вращения входного вала не должна превышать 1800 об/мин.;
- атмосфера типов I и II по ГОСТ 15150-69 при запыленности воздуха не более 10 мг /куб.м.;
- климатические исполнения У, Т для категории размещения 1...3 и климатические исполнения УХЛ и О для категорий размещения 4 по ГОСТ 15150-69.
Условные обозначения:
1Ц2У-200-10-12У1:- 1Ц2У - тип
- 200 - межосевое расстояние второй ступени
- 10 - номинальное передаточное число
- 12У1 - вариант сборки, климатическое исполнение и категория размещения
|
Типоразмер
|
1Ц2У-100
|
1Ц2У-125
|
1Ц2У-160
|
1Ц2У-200
|
1Ц2У-250
|
|
Фото
|
|||||
|
Межосевой расстояние, мм
|
100
|
125
|
160
|
200
|
250
|
|
Варианты сборки по ГОСТ 20373-80
|
11,12,13,16,17,18,21,22,23,26,27,28,31,32,33,36,37,38
|
||||
|
Номинальное передаточное число
|
8, 10, 12.5, 16, 20, 25, 32.5, 40
|
||||
|
Номинальный крутящий момент на выходном валу при непрерывной работе с постоянной нагрузкой (ПВ=100%), Нм
|
315
|
630
1250 |
1250
|
2500
|
5000
|
|
Номинальный крутящий момент на выходном валу при работе в повторно-кратковременных режимах, Нм
- тяжелом (ПВ=40%) - среднем (ПВ=25%) - легком (ПВ=15%) |
315
315 315 |
630
630 630 |
1600
2000 2500 |
3150
4000 5000 |
6300
8000 10000 |
|
Допускаемая радиальная консольная нагрузка, приложенная к середине посадочной части входного вала, Н
- непрерывный (Н) (ПВ=100%) - тяжелый (Т) (ПВ=40%) - средний (С) (ПВ=25%) - легкий (Л) (ПВ=15%) |
500
500 500 500 |
750
750 750 750 |
1000
1100 1280 1450 |
2240
2500 2800 3150 |
3150
3550 4000 4500 |
|
Допускаемая радиальная консольная нагрузка, приложенная к середине посадочной части выходного вала, Н
- непрерывный (Н) (ПВ=100%) - тяжелый (Т) (ПВ=40%) - средний (С) (ПВ=25%) - легкий (Л) (ПВ=15%) |
4500
4500 4500 4500 |
6300
6300 6300 6300 |
9000
10000 11200 12500 |
12500
14000 16000 18000 |
18000
20000 22400 25000 |
|
КПД, %, не менее
|
97
|
||||
Примечание
- Редукторы типоразмеров 1Ц2У-100, 1Ц2У-125, 1Ц2У-160 с полыми выходными валами, а также редукторы типоразмеров 1Ц2У-100, 1Ц2У-125 с концами выходных валов в виде части зубчатой муфты не изготавливаются;
- Редукторы типоразмеров 1Ц2У-100, 1Ц2У-125, 1Ц2У-160, 1Ц2У-200, 1Ц2У-250 с концами выходных валов под муфты имеют варианты сборки 11,12,13,21,22,23,31,32,33, редукторы типоразмеров 1Ц2У-160, 1Ц2У-200, 1Ц2У-250 с концами выходных валов в виде части зубчатой муфты имеют варианты сборки 11,12,21,22,31,32;
- Редукторы типоразмера 1Ц2У-200 с симметричным полым выходным валом имеют варианты сборки 16, 26, 36;
- Редукторы типоразмера 1Ц2У-250 с несимметричным полым выходным валом имеют варианты сборки 17,18,27,28,37,38;
- Значения допускаемых крутящих моментов и радиальных консольных нагрузок для редукторов типоразмеров 1Ц2У-160, 1Ц2У-200, 1Ц2У-250 с передаточными числами 8; 10; 12,5 при легком режиме работы, типоразмеров 1Ц2У-200 с цилиндрическим концом выходного вала должны быть снижены на 20%;
- Номинальная радиальная консольная нагрузка на выходном валу для редукторов с вариантами сборки 13,23,33 и на входном валу с вариантами сборки 31,32,33,36,37,38 должна быть уменьшена в два раза.
Габаритные и присоединительные размеры
.jpg)


.jpg)
|
Типо- |
Размер, мм |
||||||||||||||||
|
aw1 |
aw2 |
L |
L1 |
l, не |
l1 |
l2 |
l3 |
H |
H1 |
A |
A1 |
B |
B1 |
d |
h |
||
|
Чугун. |
Алю- |
||||||||||||||||
|
1Ц2У-100 |
80 |
100 |
390 |
325 |
136 |
85 |
136 |
165 |
230 |
112 |
290 |
109 |
155 |
145 |
15 |
- |
20+-3 |
|
1Ц2У-125 |
125 |
446 |
375 |
160 |
106 |
145 |
206 |
272 |
132 |
335 |
125 |
175 |
165 |
19 |
22+-3 |
||
|
1Ц2У-160 |
100 |
160 |
545 |
480 |
195 |
136 |
170 |
224 |
345 |
170 |
425 |
140 |
206 |
195 |
24 |
24+-4 |
28+-3 |
|
1Ц2У-200 |
125 |
200 |
678 |
580 |
236 |
165 |
212 |
280 |
425 |
212 |
515 |
165 |
243 |
230 |
24 |
30+-4 |
- |
|
1Ц2У-250 |
160 |
250 |
829 |
730 |
290 |
212 |
265 |
335 |
530 |
265 |
670 |
218 |
290 |
280 |
28 |
32+-4 |
|
| Типоразмер | Масса, кг | |
| Чугун. корпус |
Алюмин. корпус |
|
| 1Ц2У-100 | 37 | 21 |
| 1Ц2У-125 | 55 | 31.5 |
| 1Ц2У-160 | 95 | 57 |
| 1Ц2У-200 | 170 | - |
| 1Ц2У-250 | 310 | |

|
Типоразмер
|
Вал
|
Размер, мм
|
||||||||
|
d
|
d1
|
d2
|
d3, не
более |
l
|
l1
|
b
|
h
|
t
|
||
|
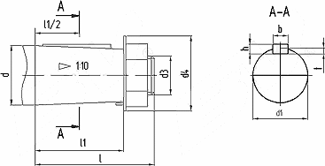
1Ц2У-100
|
входной
|
20
|
18,2
|
М12x1,25
|
40
|
50
|
36
|
4
|
2,5
|
|
|
1Ц2У-125
|
||||||||||
|
1Ц2У-160
|
25
|
22,9
|
М16x1,5
|
45
|
60
|
42
|
5
|
3,0
|
||
|
1Ц2У-200
|
30
|
27,1
|
М20x1,5
|
50
|
80
|
58
|
3,0
|
|||
|
1Ц2У-250
|
40
|
35,9
|
М24x2,0
|
63
|
110
|
82
|
10
|
8
|
5,0
|
|
|
1Ц2У-100
|
выходной
|
35
|
32,10
|
М20x1,5
|
50
|
80
|
58
|
6
|
3,5
|
|
|
1Ц2У-125
|
45
|
40,90
|
М30x20
|
75
|
110
|
82
|
12
|
8
|
5,5
|
|
|
1Ц2У-160
|
55
|
50,90
|
М36x30
|
88
|
14
|
9
|
5,5
|
|||
|
1Ц2У-200
|
70
|
65,7
|
М48x3,0
|
100
|
140
|
105
|
18
|
11
|
7,0
|
|
|
1Ц2У-250
|
90
|
83,50
|
М64x4,0
|
130
|
170
|
130
|
22
|
14
|
9,0
|
|

|
Типоразмер
|
Вал
|
Размер, мм
|
|||
|
d
|
l
|
b
|
t
|
||
|
1Ц2У-100
|
входной
|
18k6
|
36
|
6
|
20,5
|
|
1Ц2У-125
|
|||||
|
1Ц2У-160
|
22k6
|
42
|
6
|
24,5
|
|
|
1Ц2У-200
|
25k6
|
58
|
8
|
28
|
|
|
1Ц2У-250
|
35k
|
82
|
10
|
38
|
|
|
1Ц2У-100
|
выходной
|
32m6
|
58
|
10
|
35
|
|
1Ц2У-125
|
40m6
|
82
|
12
|
43
|
|
|
1Ц2У-160
|
50m6
|
82
|
14
|
53,5
|
|
|
1Ц2У-200
|
65m6
|
105
|
18
|
71
|
|
|
1Ц2У-250
|
85m6
|
130
|
22
|
90
|
|
Размеры концов выходных валов, выполненных в виде части зубчатой муфты

|
Типоразмер
|
Размер, мм
|
||||||||
|
m
|
z
|
b
|
L
|
L1, не
менее |
k
|
B
|
d
|
d1
|
|
|
1Ц2У-160
|
4
|
40
|
20
|
48
|
20
|
19
|
38
|
72F7
|
95F7
|
|
1Ц2У-200
|
5
|
25
|
55
|
32
|
22
|
50
|
80F7
|
105F7
|
|
|
1Ц2У-250
|
4
|
56
|
35
|
63
|
16
|
31
|
120F8
|
170F7
|
|


Полые валы редукторов:

.jpg)
.jpg)
.jpg)
.jpg)
.jpg)