Редукторы червячные одноступенчатые типа 5Ч-125А
Назначение:
Редукторы червячные одноступенчатые
Условия применения:
- нагрузка постоянная и переменная в пределах номинального крутящего момента, одного направления и реверсивная;
- работа длительная (до 24 ч. в сутки) или с периодическими остановками;
- вращение валов в любую сторону без предпочтительности, частота вращения входного вала до 1500 об/мин;
- атмосфера типа I и II по ГОСТ
15150—69 при запыленности воздуха не более 10 мг/м3; - климатические исполнения — У, Т (для категорий размещения 1...3), УХЛ и О (для категории размещения 4) по ГОСТ 15150 — 69.
Пример записи условного обозначения:


Технические характеристики*:
*Данные приведены для режима работы с ПВ 40%
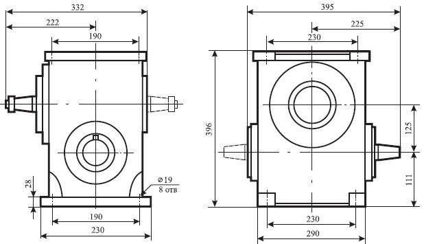
Габаритные и присоединительные размеры:

Размеры конца входного вала:

Размеры конца выходного вала:

